随着经济与技术水平的快速发展,企业所处竞争环境日益加快,企业竞争优势持续时间越来越短,企业必须迅速进行产品设计创新以响应日渐多元化的用户和市场需求。因此,产品设计创新为企业发展和新业务拓展提供了重要机会[1],成为企业获得长期稳定发展的核心竞争力[2]。设计创新在国外企业产品开发中日益受到重视[3],随着全球化市场竞争的日益加剧,我国企业及政府逐渐认识到设计创新具有的巨大潜力[4-5],不断加强创新设计力度以应对激烈的国际、国内市场竞争。但是,国内企业速成式发展方式缺乏相应的设计管理制度的积累,更缺乏产品设计开发经验以及产品开发中不可缺少的系统、规范和制度化的设计评价意识、机制及方法创新,且多数企业还是依靠由上而下的个人经验对设计开发活动进行评价和决策。随着企业的不断发展,这种经验性设计评价造成的产品开发风险以及成本、质量问题日益突出,企业必须寻求一种科学、高效的设计评价方法,以提高评价结果的客观性、可靠性,降低开发风险和成本,提升产品设计品质,增强企业核心竞争力。
近年来,产品开发设计评价方法研究越来越丰富,并取得了一定的研究成果。Tama和Azlia[6]采用感性工学来捕捉和翻译用户需求感知,并对需求属性进行分类,为推出更有竞争力的产品提供了建议。Hartono和Chuan[7]提出一种模糊KANO模型的方法,对用户情感进行客观的捕捉、塑造和分析;余琦玮[8]等综合词形、词性、依存关系、控制词及情感描述等方法,构建了产品在线评论文本特征词提取规则及模型;孟庆良[9]等针对用户需求的动态性和不确定性,提出基于GM(1,1)模型的KANO质量要素分类动态预测方法;Wang[10]使用语言变量量化用户需求,建立了一种QFD(质量功能展开)模型来评估用户需求与解决方案间的关系;王娟丽[11]等运用质量屋(HOQ)计算出技术参数决策系数,利用0-1整数规划算法获得最大化顾客满意度的技术特性组合,构建了变速器产品创新设计方法评价模型;Wonkyu和ByeongYun[12]应用AHP(层次分析法)对平端铣床加工过程中的技术控制因素进行定量评价与优化,为其加工工艺决策提供了度量标准;高喜超等[13]构建AHP-ANN(层次分析法-神经网络法)组合评价模型,在价值性、可持续性和独特性3个维度上对生产制造与技术开发能力、计划与组织能力等进行了核心竞争力评价;高锡荣等[14]运用语义聚类方法提炼出创意方案评价指标体系,适用于海量创意价值的快速评估;Zohoori和Vahedi[15]构建ANN和AHP综合模型,对风力发电机质量、成本、体积和电磁性能等指标进行评价赋值,获得了综合最优方案;Schwarz和Bodendorf[16]在开放式企业环境下,提出一种AIE的概念方案评估方式,根据企业员工的知识、经验情况,提供正向属性和反向属性及其各自对应的分值,对不同概念方案进行了排序;Jain等[17]针对产品供货商多方选择问题,提出了FAHP(模糊层次分析法)和TOPSIS(理想解法)方法确定评价指标权重,对供货商进行排序;Demirtas等[18]采用FAHP和ANP(分析网络法)方法,对智能卡技术方案进行了择优。
如上所述,针对设计评价方法的研究虽然很多,但是多数研究成果只适用于产品开发过程中单一阶段的设计评价,缺乏基于产品开发全过程设计评价的考虑。产品开发是一个复杂的系统工程,需要协同技术、系统、资源、市场及营销等方面的知识和信息,呈现出复杂特征[19]。Song等[20]通过实证研究发现,加强产品开发项目与这些复杂知识及信息的匹配度和协同度,能够提高产品开发过程及结果执行质量。同时,基于全过程的设计评价能够系统选择更具竞争优势的设计方案,识别出可能导致产品开发失败的不确定性风险,尤其是面对新产品技术创新所带来的消极影响[21],更应该全面、仔细地评价这些不确定性风险。因此,单一阶段设计评价方法不能满足企业产品开发活动评价需求,实用价值不高。
根据研究现状,本研究在规范性设计过程模型的基础上,构建前期用户需求定位、中期技术特性映射及后期概念方案择优的产品开发全过程设计评价流程及方法模型,旨在使企业全面、科学、准确、高效地完成设计开发目标,设计、制造、生产出符合用户及市场需求的产品。
产品设计是一种将用户需求映射为功能要求,再将其转化为产品零件、结构等设计参数的复杂创新过程。经过多年研究,英国开发大学(Open University)的Cross[22]教授将各种不同的产品设计过程归纳为描述性和规范性两种模型。其中,描述性模型的一般步骤为需求分析→概念设计→技术设计→深化设计,强调概念方案在设计初期的重要性,是一种启发式设计过程,即应用过去的开发经验、通用标准及设计人员的经验法则指导设计过程,但其不能保证设计成功;规范性模型的一般步骤为需求分析→技术分析→概念设计→深化设计,强调在概念设计之前进行更多需求与技术分析工作,是一种鼓励式设计过程,即确保用户需求和重要设计指标能够被充分理解和考虑,更能保证设计的成功。因此,本研究以规范性设计过程模型作为全过程设计评价流程的研究基础。
从某种意义上说,设计过程就是一系列持续评价、决策的过程。如图1所示,产品设计过程与评价过程交织在一起,构成一个完整的链状结构。上一设计阶段的有效评价为下一设计阶段的展开提供了判断标准和决策依据,有助于促进整个设计过程收敛。因此,任何设计阶段评价的缺失都会影响整个产品开发项目的顺利进行。

图1 企业产品开发与设计评价间的关系
Cross教授定义的产品设计评价目标是在最便宜更正错误的阶段发现错误。因此,企业在产品开发时运用基于全过程、规范化及制度化的设计评价方法具有以下几个方面的应用价值:①能够使企业对众多用户需求、概念方案进行全面、科学的设计评价,并筛选出各方面都能满足设计目标的最优方案,保证设计品质;②使企业在技术原理、结构设计、工艺方式、材料选型及色彩搭配等设计参数评价活动中能够准确、高效地进行决策,以获得规范、明确的产品开发设计目标,提高设计效率,降低开发成本,增强企业核心竞争力;③全过程设计评价能够适时排除不符合用户和企业需求、实现可行性低及不具备市场竞争优势的方案,确保产品开发始终遵循正确路线;④基于全过程的设计评价能够更好地协同多个开发阶段的评价需求,最大化调节与匹配企业技术、知识和信息等能力、资源与产品创新绩效间的关系;在规范化和制度化全流程设计评价中,企业通过不断发展、创新和积累符合自身情况的评价标准、方法、流程及组织形式等设计开发经验,为企业获取持续性竞争优势提供制度保证。
在早期工业环境的影响下,企业设计评价观念比较注重产品质量和成本监控。随着工业技术、经济水平及信息技术的发展,市场竞争环境日益复杂多变,设计评价向产品开发全过程延伸,旨在提升设计品质、降低开发风险、增强企业核心竞争优势。本研究结合上述全过程设计评价应用价值和我国企业实际情况,构建前期用户需求定位评价、中期技术特性映射评价、后期概念方案择优评价3个阶段产品开发全过程设计评价流程,具体结构如图2所示。全流程评价屋:地基部分综合、协调各种评价方法,以支撑和判定各阶段的设计有效性、设计品质、过程效率和设计目标达成度;房间部分集成、规范产品开发过程中设计评价的一般步骤,细化、深入到每一个设计评价阶段,如对用户文本效度与信度进行评价、用户需求重要度评价或用户需求与技术特性相关度评价等,以确保最终设计目标的实现;屋顶部分覆盖整个产品开发过程,统筹规划、协调3个设计阶段的评价活动。全流程评价屋为企业产品开发提供了一种全面、科学、准确和高效的设计评价流程与方法。

图2 企业产品开发全过程设计评价流程与方法(全流程评价屋)
(1)前期用户需求定位阶段。随着信息技术的不断发展以及体验经济的到来,用户体验对消费者决策的影响力不断增强,企业越来越关注用户行为逻辑需求,逐渐整合技术、市场和用户需求等信息资源,提供符合用户需求的产品[23]。用户需求定位是指企业根据用户现实性需求,对市场流行趋势进行把握,破解市场竞争环境约束等条件,进一步获得产品开发目标任务的过程。用户需求获取、识别、评价是企业产品开发活动实施的前提条件,也是企业获得产品设计创新及成功开发的基本保证。该评价活动主要是为了发现企业市场机会、创新机会和竞争机会,并可以界定设计范围,明确设计目标及规划发展方向。为了快速响应多变的用户及市场需求,抢占市场竞争优势,要求该阶段必须全面、准确、高效地完成用户需求挖掘、定位、属性分类及权重计算等步骤,而数据挖掘技术的应用为解决这一问题提供了思路。同时,为中期阶段评价工作提供准则、策略上的判断标准和决策依据。
(2)中期技术特性映射阶段。产品开发技术创新被认为是竞争优势和商业成功的主要驱动力。实证研究[21]结果表明,技术创新常常伴随着积极影响和消极影响。一方面,技术创新可以满足用户需求,对获得商业成功产生积极影响;另一方面,技术创新会导致企业变革和潜在环境变化,对获得商业成功产生消极影响。因此,技术创新并不总是能够显示出显著影响,这就要求企业在进行产品技术创新时,应该均衡评价技术创新对用户需求和企业现状的影响,明确自身技术优势,确定技术创新方向,避免技术创新不确定性影响整个项目产品开发周期[24]。本研究提出的技术特性映射是将抽象的用户需求信息转换为相应的代用技术特性,并将其体现在产品零件、工艺及生产与控制过程中。该阶段结合用户视角下的用户需求及企业视角下技术特性实现需求转换,在概念设计之前就对产品技术、结构、工艺、材料及成本问题进行分析、考虑,使得设计结果直接深入到与批量化生产相衔接的状态,有效保证了产品开发效率和设计品质。该阶段的难点在于如何实现用户需求与技术特性间精准、有效的转换,而质量屋(House of Quality, HOQ)作为一种直观的矩阵框架表达形式,为这种需求转换的实现提供了有效工具。
(3)后期概念方案择优阶段。Jones在《A Method of System Design》一文中指出:“设计评价具体来说是在确定最终方案前,从诸多备选方案中,对其在使用、生产和销售方面表现的正确性给予评估”。由此,概念方案择优是在综合所有产品设计要素的基础上,对设计方案进行优选、优化的过程。不同于上述两个阶段的局部评价方式,这一阶段将更多依靠美学标准、行业工艺、结构标准等手段对概念方案进行整体综合评价,需具体到产品人机尺寸、操作界面体验、功能有效性、色彩及材质搭配、结构件装配等要素,通常需要经过多轮评价才能确定最终方案,是一个反复迭代的过程。该阶段的难点在于如何客观、准确地描述专家评判信息的模糊性及不确定性,以保证评价结果的可靠性。
需要强调的是,设计评价活动并不只是存在于产品开发过程中,设计评价还涉及产品市场销量、用户反馈、社会与环境影响等方面,以便于为产品迭代、改良设计或创新设计提供用户需求信息、设计评价依据和策略指导。
本研究对上述设计评价流程中的难点及核心特征问题涉及到的评价方法目的、应用流程及范围等主要特征进行分析。
在现代信息技术背景下,用户数据成为一种分析用户需求的重要资源,如在电子购物平台的产品用户评论文本中就蕴含着产品功能、性能、服务等各种信息[25]。但是,这些需求信息往往是是零散、表面、非系统的,传统用户或设计师单一视角下的访谈和问卷调查方式[26]并不能符合企业对用户需求信息全面、准确、高效的挖掘、分析及定位要求。因此,本研究构建了用户和设计师双向视角下基于数据挖掘技术的用户需求定位方式,如图3所示。

图3 双向视角下用户需求特征获取与定位
该方法首先采用 Python爬虫技术对购物网站、相关网络论坛等平台上的用户数据进行挖掘,获取产品评论文本信息;其次,采用 python文本分析技术对评论文本信息进行预处理,包括分词、词性标注、词频统计、情感分析[27]等,获得产品特征词库;最后,基于因子分析对产品特征词库中的用户需求词汇进行有效度、相关度分析,定位用户需求。通过该方法能够快速地对大量文本数据进行提取、分析与利用,有助于提高用户需求定位深度、精度及效度,为企业现代化设计评价、精细化设计管理提供有效指导。
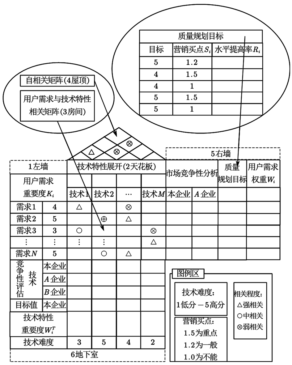
质量屋(HOQ)是能够将抽象的用户需求信息转换成企业内部产品开发的具体技术特性[28],它是一种由用户需求展开表与技术特性展开表相结合而成的二维矩阵表,可以用来表示用户需求与技术特性间的复杂关系。同时,可帮助企业在有限资源条件下确定技术特征优化对象以保证用户满意度最大化。
如图4所示,质量屋(HOQ)的一般形式由以下六部分组成: ①左墙。是用户语言表达的需求项目,包含用户需求及其重要度;②天花板。是设计师对用户需求的映射,是由用户需求转换得到的可执行、可度量的技术要求或方法;③房间。用于描述用户需求与技术特性间的相关程度,并将用户需求转化为相应的技术特性,以表明两者间的关系;④屋顶。可表明各项技术特性间的相互关系;⑤右墙。是指从用户视角进行市场竞争性评估,包括对本企业产品竞争对手企业产品的评价,以帮助企业明确产品质量规划目标、并确定质量水平提高率、产品营销买点及用户需求权重,其中有Wi=Ki×Ri×Si;⑥地下室。是从企业内部视角对本企业和竞争对手企业技术成本进行评价,包括技术特性重要度、技术竞争性评估及技术特性目标值,以此确定技术特性项目配置顺序。其中,技术特性重要度计算可采用独立配点法,将用户需求权重直接与相关程度的数值相乘(即△:○:⊗=5:3:1),再纵向合计,即: 这样可以减少过大或者过小相关度评价对技术特性重要度的影响。
这样可以减少过大或者过小相关度评价对技术特性重要度的影响。

图4 质量屋(HOQ)框架
由于客观事物的复杂性和不确定性、以及人类思维的模糊性,在进行概念方案择优时,需要对以下两个方面进行考虑:①评价者难以用精确数值给出判断,而喜欢直接用满意、不满意、很满意等自然语言标度形式给出评价对象测度值[29];②不同评价者对同一事物的感知范围不同,往往采用多样化语义粒度表达其偏好信息[30]。针对上述问题,本研究结合最新发展的语言信息决策理论中的相关研究,提出符合评价需求的多粒度语言变量群组评价模型。
首先,针对语言评估标度问题,XU[31]提出一种以零为中心对称,且术语个数为奇数的非均匀加性语言评估标度集,用于表征评价者的多粒度语言评估标度。

(1)
其中 表示语言术语,
表示语言术语, 和
和 为语言术语的下限和上限,k为评估标度集的粒度,且
为语言术语的下限和上限,k为评估标度集的粒度,且 满足条件:若α>β,则
满足条件:若α>β,则 存在负算子
存在负算子 特别地
特别地
例如,当k=4时, 的语言评估标度形式如图5所示:
的语言评估标度形式如图5所示:

图5 非均匀加性语言评估标度(k=4)
为计算方便和避免专家评判信息丢失,戴跃强等[32]在原有标度 的基础上定义了一个可拓展标度集
的基础上定义了一个可拓展标度集 但其仅用于计算,不能用于表征评估标度。
但其仅用于计算,不能用于表征评估标度。

(2)
其中,q(q>k-1)为充分大的自然数,且随着语言术语下标值的增大,相邻语言术语下标间的偏差绝对值也会增大。
其次,针对多粒度语言评估标度权重计算问题,可采用粒度转换函数(Granularity transformation function, GTF)[33]对多粒度语言评估标度集进行一致化处理,进一步运用相对理想点(TOPSIS)[34]对语言变量进行排序,确定评价对象权重值。主要计算步骤如下:
设 和
和 是两个给定的非均匀加性语言评估标度集,则它们之间的粒度转换函数为:
是两个给定的非均匀加性语言评估标度集,则它们之间的粒度转换函数为:


(3)
基于上述多粒度语言评估标度集 及其一致化转换函数,可获得m个专家关于n个概念方案的判断矩阵R=(rij)m×n,其中
及其一致化转换函数,可获得m个专家关于n个概念方案的判断矩阵R=(rij)m×n,其中 基于TOPSIS思想[35],计算概念方案权向量rj与正理想点
基于TOPSIS思想[35],计算概念方案权向量rj与正理想点 和负理想点
和负理想点 间的距离
间的距离
(4)

(5)
上式中,ρj为参与评价的专家权重。
正理想点:
负理想点:
进一步确定概念方案权向量rj与正负理想点间的贴近度系数CCj:

最后,确定各概念方案权重系数wj:

依据权重系数wj大小可对概念方案进行优劣排序,并对下一步的产品开发作出决策。
本研究构建了面向企业用户需求的产品开发全过程设计评价流程。首先,构建了深入、精准、高效的产品开发前期用户需求挖掘及评价方法,获得需求属性权重;其次,构建了产品开发中期用户需求与技术特性动态映射及评价方式,获得产品设计参数;最后,构建了产品开发后期概念方案群组择优评价方法,获得最优设计方案。该方法实现了企业产品开发全过程设计评价需求,为相关企业产品开发提供了参考。
但是,该评价流程及方法运用必须以相关专业知识为基础,这在一定程度上制约了企业应用、推广和普及的可行性。因此,结合信息系统开发技术,构建产品开发全过程设计评价集成平台,将复杂的设计评价过程可视化,可使企业更加方便、精准地掌握关键信息,快速进行复杂分析与执行系统化评估结果,以保证产品设计品质,增强企业核心竞争力。
[1] DANNEELS E, KLEINSCHMIDT E J. Product innovati-veness from the firm′s perspective: its dimensions and their relation with project selection and performance[J]. Journal of Product Innovation Management, 2010,18(6):357-373.
[2] STANKO M A, MOLINA-CASTILLO F J, HARMANCIOGLU N. It won′t fit for innovative products, sometimes that′s for the best[J]. Journal of Product Innovation Management, 2015,32(1):122-137.
[3] ROBERTS P W. Product innovation, productmarket competition and persistent profitability in the U.S. pharma-ceut-ical industry[J]. Strategic Management Journal, 2015,20(7):655-670.
[4] 赖红波.设计驱动型创新系统构建与产业转型升级机制研究[J].科技进步与对策,2017(23):71-76.
[5] 戴勇,王诗卉.从研发能力到创新绩效:技术整合与组织整合的不同角色[J].科技进步与对策,2017(24):7-12.
[6] TAMA I P, AZLIA W, HARDININGTYAS D. development of customer oriented product design using kansei engineering and kano model: case study of ceramic souvenir[J]. Procedia Manufacturing, 2015,4:328-335.
[7] HARTONO M, CHUAN T K, PRAYOGO D N, et al. An integr-ative fuzzy Kansei engineering and Kano model for logistics services[C]∥Materials Science and Engineering Conference Series, 2017.
[8] 余琦玮,肖颖,林静,等.产品评论文本中特征词提取及其关联模型构建与应用[J].中国机械工程,2017,28(22):2714-2721.
[9] 孟庆良,何林,朱慧明,等.基于GM(1,1)模型的Kano质量要素分类动态预测方法[J].中国管理科学,2015(9):139-145.
[10] WANG S Y. Short survey: constructing the complete linguistic based and gaporiented quality function deployment[J]. Expert Systems with Applications, 2010,37(2):908-912.
[11] 王娟丽,熊伟.基于QFD的产品创新设计方案评价模型研究[J].科技管理研究,2014(10):53-57.
[12] WONKYU BANG, BYEONGYUN CHANG. Quality factor analysis of metal working process with AHP[J]. International Journal of Production Research, 2013,51(19):5741-5756.
[13] 高喜超,范莉莉.企业核心竞争力的AHP-ANN组合系统评价方法[J].统计与决策,2014(5):50-53.
[14] 高锡荣,杨建,何洁.基于语义聚类的创意价值评估指标提炼与体系构建[J].科技进步与对策,2017(5):121-126.
[15] ZOHOORI A, VAHEDI A, MEO S, et al. An improved AHP method for multi objective design of FSPM machine for wind farm applications[J]. Journal of Intelligent & Fuzzy Systems, 2015,30(1):159-169.
[16] SCHWARZ S, BODENDORF F. Attributive idea evaluation: a new idea evaluation method for corporate open innovation communities[J].International Journal of Knowledge-Based Organizations (IJKBO), 2017,2(35-36):559-568.
[17] JAIN V, SANGAIAH A K, SAKHUJA S, et al. Supplie-r selection using fuzzy AHP and TOPSIS: a case study in the Indian automotive industry[J]. Neural Computing & Applications, 2016(11):1-10.
[18] DEMIRTA N, ENIM Z GüRLER, ZGüRLER M, et al. Selecting e-purse smart card technology via fuzzy AHP and ANP[J]. Journal of Applied Mathematics,2014,2014(4):1-14.
[19] 李支东,刘文.企业产品创新:复杂性-依赖性与网络嵌入性[J].科技进步与对策,2014(17).
[20] SONG X M, PARRY M E. A Cross-National comparative study of new product development processes: Japan and the United States[J]. Journal of Marketing, 1997,61(2):1-18.
[21] KOCK A, GEMüNDEN H G, SALOMO S, et al. The mixed blessings of technological innovativeness for the commercial success of new products[J]. Journal of Pr-oduct Innovation Management, 2011,28(s1):28-43.
[22] CROSS N. Engineering design methods: strategies for product design, 4th edition[M].John Wiley & Sons,2008.
[23] SCHREIER M, FUCHS C, DAHL D W. The innovation effect of user design: exploring consumers′ innovation perceptions of firms selling products designed by users[J]. Journal of Marketing, 2012,76(5):18-32.
[24] ALI A, JR R K, LABAHN D. Product innovativeness and entry strategy: impact on cycle time and break even time[J]. Journal of Product Innovation Management, 1995,12(1):54-69.
[25] QI J, ZHANG Z, JEON S, et al. Mining customer requirements from online reviews[J]. Information & Management, 2016,53(8):951-963.
[26] LIU Y, JIN J, JI P, et al. Identifying helpful online reviews: a product designer′s perspective[J]. Computer-Aided Design, 2013,45(2):180-194.
[27] BARBOSA L, FENG J. Robust sentiment detection on Twitter from biased and noisy data[C]// International Co-nference on Computational Linguistics: Posters Association for Computational Linguistics, 2010:36-44.
[28] AKAO Y. Quality function deployment: integrating customer requirements into product design[J]. Brain Research, 2004,498(1):135-139.
[29] 张发明,袁宇翔,梁龙武.多粒度不确定语言变量的多属性群决策方法及应用[J].系统管理学报,2017(6):1061-1070.
[30] XU Z, WANG H. Managing multi-granularity linguistic information in qualitative group decision making: an overview[J]. Granular Computing, 2016,1(1):21-35.
[31] XU Z. An interactive approach to multiple attribute group decision making with multigranular uncertain linguistic information[J]. Group Decisionss & Negotiation, 2009,18(2):119-145.
[32] 戴跃强,徐泽水,李琰,等.语言信息评估新标度及其应用[J].中国管理科学,2008,16(2):145-149.
[33] ZHANG Q X, CHEN J, WANG X T. Medical service quality evaluation based on multi-granularity unbalanced linguistic information[J]. Statistics & Information Forum, 2011(8).
[34] FAN Z P, LIU Y. A method for group decision-making based on multi-granularity uncertain linguistic information[J]. Expert Systems with Applications, 2010,37(5):4000-4008.
[35] BEHZADIAN M, KHANMOHAMMADI OTAGHSARA S, YAZDANI M, et al. A state of the art survey of topsis applications[J]. Expert Systems with Applications, 2012,39(17):13051-13069.